|
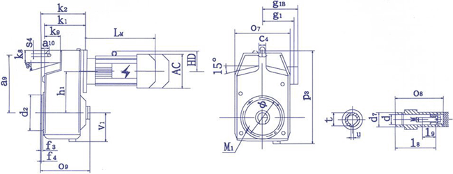
QSP系列齒輪減速三相異步電動機(jī)安裝及外形尺寸

| 機(jī)座號 |
a9 a10 |
c4 f4 |
k1 h1 |
k8 h9 |
φ O7 |
O8 O9 |
M1 p3 |
S4 v1 |
d d7 |
l8 l9 |
t u |
k2 M |
d2 f3 |
| QSP130 |
170 |
12 |
107 |
32 |
120 |
140 |
4-M10 |
14 |
30 |
122 |
33.3 |
119 |
80 |
| |
|
|
|
172 |
|
285 |
|
|
|
|
M10 |
|
| 32 |
4 |
130 |
48 |
|
143 |
|
85 |
45 |
16 |
8 |
|
4 |
| QSP160 |
218 |
16 |
139 |
42 |
128 |
180 |
4-M10 |
14 |
40 |
156 |
43.3 |
157 |
90 |
| |
|
|
|
212 |
|
351 |
|
|
|
|
M16 |
|
| 41 |
5 |
160 |
60 |
|
183 |
|
101 |
55 |
30 |
12 |
|
5 |
| QSP208 |
278 |
20 |
162 |
50 |
154 |
210 |
4-M12 |
22 |
50 |
183 |
53.8 |
182 |
130 |
| |
|
|
|
260 |
|
442 |
|
|
|
|
M16 |
|
| 50 |
5 |
208 |
70 |
|
213 |
|
124 |
70 |
31 |
14 |
|
4 |
| QSP255 |
346 |
26 |
184 |
65 |
215 |
240 |
4-M12 |
22 |
60 |
210 |
64.4 |
212 |
180 |
| |
|
|
|
315 |
|
540 |
|
|
|
|
M20 |
|
| 62 |
5 |
255 |
80 |
|
243 |
|
151 |
85 |
36 |
18 |
|
5 |
| QSP290 |
395 |
30 |
265 |
80 |
265 |
300 |
8-M16 |
26 |
70 |
270 |
74.9 |
286 |
230 |
| |
|
|
|
380 |
|
628 |
|
|
|
|
M20 |
5 |
| 70 |
5.5 |
290 |
180 |
|
304 |
|
182 |
95 |
34 |
20 |
|
|
| QSP358 |
485 |
38 |
275 |
90 |
330 |
350 |
8-M16 |
26 |
80 |
313 |
85.4 |
315 |
280 |
| |
|
|
|
464 |
|
763 |
|
|
|
|
M20 |
|
| 88 |
6 |
358 |
121 |
|
354 |
|
225 |
115 |
30 |
22 |
|
5 |

| 機(jī)座號 |
a1 b1 |
c1 e1 |
h1 f1 |
O7 |
O8 O9 |
P3 |
S1 v1 |
d d7 |
l8 l9 |
k1 k2 |
t u |
M |
| QSP130F |
200 |
12 |
130 |
|
163 |
|
(4孔)11 |
30 |
145 |
107 |
33.3 |
|
| |
|
|
172 |
|
285 |
|
|
|
|
|
M10 |
| 130 |
165 |
3.5 |
|
165 |
|
85 |
45 |
16 |
40 |
8 |
|
| QSP160F |
250 |
15 |
160 |
|
203 |
|
(4孔)14 |
40 |
179 |
139 |
43.3 |
|
| |
|
|
212 |
|
351 |
|
|
|
|
|
M16 |
| 180 |
215 |
4 |
|
205 |
|
101 |
55 |
30 |
48 |
12 |
|
| QSP208F |
250 |
15 |
208 |
|
247 |
|
(4孔)14 |
50 |
220 |
162 |
53.8 |
|
| |
|
|
260 |
|
442 |
|
|
|
|
|
M16 |
| 180 |
215 |
4 |
|
250 |
|
124 |
70 |
31 |
61 |
14 |
|
| QSP255F |
350 |
20 |
255 |
|
267 |
|
(4孔)18 |
60 |
237 |
184 |
64.4 |
|
| |
|
|
315 |
|
540 |
|
|
|
|
|
M20 |
| 250 |
300 |
5 |
|
270 |
|
151 |
85 |
36 |
65 |
18 |
|
| QSP290F |
450 |
22 |
290 |
|
341.5 |
|
18 |
70 |
312 |
265 |
74.9 |
|
| |
|
|
380 |
|
628 |
|
|
|
|
|
M20 |
| 350 |
400 |
5 |
|
345 |
|
182 |
95 |
34 |
85 |
20 |
|
| QSP358F |
450 |
22 |
358 |
|
390.5 |
|
18 |
80 |
354 |
275 |
85.4 |
|
| |
|
|
464 |
|
763 |
|
|
|
|
|
M20 |
| 350 |
400 |
5 |
|
394 |
|
225 |
115 |
30 |
85 |
22 |
|

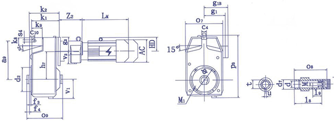
| 機(jī)座號 |
a9 a10 |
c4 f4 |
k1 h1 |
k8 h9 |
O7 O8 O9 |
p3 M1 S4 |
v1
v2 |
φ Z2
|
l8
l9 |
d d7 |
t u |
k2 M
|
d2
f3 |
| QSP160+VU2 |
218 |
16 |
139 |
42 |
212 |
351 |
101 |
128 |
156 |
40 |
43.3 |
157 |
90 |
| |
|
|
|
180 |
4-M10 |
|
152 |
|
|
|
M16 |
|
| 41 |
5 |
160 |
60 |
183 |
14 |
85 |
|
30 |
55 |
12 |
|
5 |
| QSP208+VU8 |
278 |
20 |
162 |
50 |
260 |
442 |
124 |
154 |
183 |
50 |
53.8 |
182 |
130 |
| |
|
|
|
210 |
4-M12 |
|
176 |
|
|
|
M16 |
|
| 50 |
5 |
208 |
70 |
213 |
22 |
118 |
|
31 |
70 |
14 |
|
4 |
| QSP255+VU8 |
346 |
26 |
184 |
65 |
315 |
540 |
151 |
215 |
210 |
60 |
64.4 |
212 |
180 |
| |
|
|
|
240 |
4-M12 |
|
176 |
|
|
|
M20 |
|
| 62 |
5 |
255 |
80 |
243 |
22 |
118 |
|
36 |
85 |
18 |
|
5 |
| QSP290+VU8 |
395 |
30 |
265 |
80 |
380 |
628 |
182 |
265 |
270 |
70 |
74.9 |
286 |
230 |
| |
|
|
|
300 |
8-M16 |
|
176 |
|
|
|
M20 |
|
| 70 |
5.5 |
290 |
108 |
304 |
26 |
118 |
|
34 |
95 |
20 |
|
5 |
| QSP290+VU14 |
395 |
30 |
265 |
80 |
380 |
628 |
182 |
265 |
270 |
70 |
74.9 |
286 |
230 |
| |
|
|
|
300 |
8-M16 |
|
247 |
|
|
|
M20 |
5 |
| 70 |
5.5 |
290 |
108 |
304 |
26 |
143 |
|
34 |
95 |
20 |
|
|

| 機(jī)座號 |
a1 b1 |
c1 e1 |
h1 f1 |
O7 |
O8 O9 |
P3 |
s1 v1 |
d d7 |
l8 l9 |
k1 k2 |
v2 z2 |
t u |
M |
| QSP160F+VU2 |
250 |
15 |
160 |
|
203 |
|
(4孔)14 |
40 |
179 |
139 |
85 |
43.3 |
|
| |
|
|
212 |
|
351 |
|
|
|
|
|
|
M16 |
| 180 |
215 |
4 |
|
205 |
|
101 |
55 |
30 |
48 |
152 |
12 |
|
| QSP208F+VU8 |
250 |
15 |
208 |
|
247 |
|
(4孔)14 |
50 |
220 |
162 |
118 |
53.8 |
|
| |
|
|
260 |
|
442 |
|
|
|
|
|
|
M16 |
| 180 |
215 |
4 |
|
250 |
|
124 |
70 |
31 |
61 |
176 |
14 |
|
| QSP255F+VU8 |
350 |
20 |
255 |
|
267 |
|
(4孔)18 |
60 |
237 |
184 |
118 |
64.4 |
|
| |
|
|
315 |
|
540 |
|
|
|
|
|
|
M20 |
| 250 |
300 |
5 |
|
270 |
|
151 |
85 |
36 |
65 |
176 |
18 |
|
| QSP290F+VU8 |
450 |
22 |
290 |
|
341.5 |
|
18 |
70 |
312 |
265 |
118 |
74.9 |
|
| |
|
|
380 |
|
628 |
|
|
|
|
|
|
M20 |
| 350 |
400 |
5 |
|
345 |
|
182 |
95 |
34 |
85 |
176 |
20 |
|
| QSP290F+VU14 |
450 |
22 |
290 |
|
341.5 |
|
18 |
70 |
312 |
265 |
143 |
74.9 |
|
| |
|
|
380 |
|
628 |
|
|
|
|
|
|
M20 |
| 350 |
400 |
5 |
|
345 |
|
182 |
95 |
34 |
85 |
247 |
20 |
|
注:電動機(jī)有關(guān)尺寸見電機(jī)尺寸表 |